Warning Icon

For other alternatives, please contact us for more information.

0 Alternative products available

APT-NFNF-DB

Base product: SURGE-ARRESTORS

Arrestor Plus® Dual Band Quarterwave Surge Arrestor (T-shaped, Cylindrical), 800–2170 MHz, with interface types N Female and N Female

Finish making your selections or clear them to view relevant specifications.
Download specifications

Product classification

Product Type Quarter wave shorting stub
Product Brand Arrestor Plus®
Ordering Note ANDREW® non-standard product

General specifications

Device Type dc Block
Inner Contact Plating Gold
Interface N Female
Interface 2 N Female
Outer Contact Plating Trimetal
Pressurizable No

Dimensions

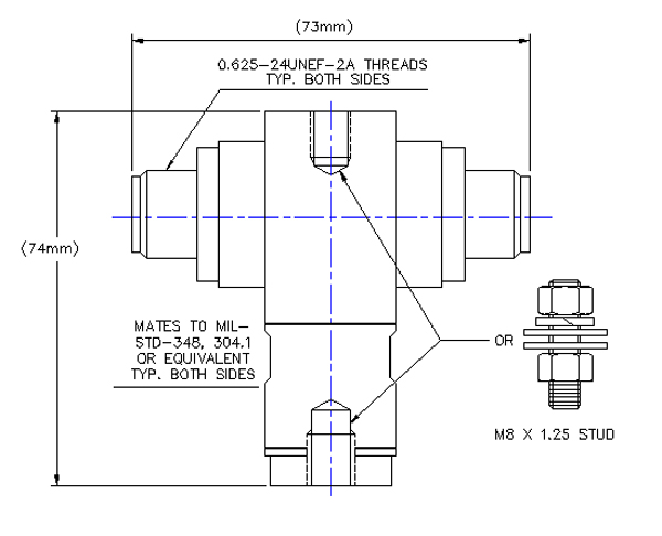
Height 74 mm | 2.913 in
Width 25 mm | 0.984 in
Length 73 mm | 2.874 in

Outline drawing

Click on image to enlarge.

Electrical specifications

3rd Order IMD -117 dBm
3rd Order IMD Test Method Two +43 dBm carriers
Insertion Loss, typical 0.07 dB
Average Power at Frequency 600.0 W @ 900 MHz
Connector Impedance 50 ohm
Lightning Surge Capability 100 times @ 20 kA
Lightning Surge Capability Test Method IEEE C62.42-1991
Lightning Surge Capability Waveform 8/20 waveform
Lightning Surge Current 30 kA
Lightning Surge Current Waveform 8/20 waveform
Operating Frequency Band 806 – 824 MHz | 824 – 960 MHz | 1710 – 2000 MHz | 2000 – 2170 MHz
Peak Power, maximum 10 kg/mm
Throughput Energy at Current 2.0 mJ @ 30 kA | 25.0 μJ @ 2 kA
Throughput Energy Waveform 8/20 waveform

Return loss/vswr

Frequency band Vswr Return loss (db)
806–824 MHz 1.152 23.02
824–960 MHz 1.135 23.98
1710–2000 MHz 1.101 26.36
2000–2170 MHz 1.135 23.98

Mechanical specifications

Attachment Durability 25 cycles
Interface Durability 500 cycles
Interface Durability Method IEC 61169-16:9.5
Mechanical Shock Test Method MIL-STD-202F, Method 213B, Test Condition C

Environmental specifications

Operating Temperature -40 °C to +150 °C (-40 °F to +302 °F)
Storage Temperature -40 °C to +100 °C (-40 °F to +212 °F)
Attenuation, Ambient Temperature 20 °C | 68 °F
Average Power, Ambient Temperature 40 °C | 104 °F
Corrosion Test Method MIL-STD-202, Method 101, Test Condition B
Immersion Depth 1 m
Immersion Test Mating Mated
Immersion Test Method IEC 60529:2001, IP68
Moisture Resistance Test Method MIL-STD-202, Method 106
Thermal Shock Test Method MIL-STD-202, Method 107, Test Condition A-1, Low Temperature -55 °C
Vibration Test Method GR 2846-CORE
Water Jetting Test Mating Mated

Packaging and weights

Weight, net 0.399 kg | 0.88 lb

Regulatory compliance/certifications

Agency Classification
CHINA-ROHS Above maximum concentration value
ISO 9001:2015 Designed, manufactured and/or distributed under this quality management system
ROHS Compliant/Exempted
UK-ROHS Compliant/Exempted
REACH-SVHC Compliant as per SVHC revision on www.andrew.com/ProductCompliance

Product classification

Product Type Quarter wave shorting stub
Product Brand Arrestor Plus®
Ordering Note ANDREW® non-standard product

General specifications

Device Type dc Block
Inner Contact Plating Gold
Interface N Female
Interface 2 N Female
Outer Contact Plating Trimetal
Pressurizable No

Dimensions

Height 74 mm | 2.913 in
Width 25 mm | 0.984 in
Length 73 mm | 2.874 in

Electrical specifications

3rd Order IMD -117 dBm
3rd Order IMD Test Method Two +43 dBm carriers
Insertion Loss, typical 0.07 dB
Average Power at Frequency 600.0 W @ 900 MHz
Connector Impedance 50 ohm
Lightning Surge Capability 100 times @ 20 kA
Lightning Surge Capability Test Method IEEE C62.42-1991
Lightning Surge Capability Waveform 8/20 waveform
Lightning Surge Current 30 kA
Lightning Surge Current Waveform 8/20 waveform
Operating Frequency Band 806 – 824 MHz | 824 – 960 MHz | 1710 – 2000 MHz | 2000 – 2170 MHz
Peak Power, maximum 10 kg/mm
Throughput Energy at Current 2.0 mJ @ 30 kA | 25.0 μJ @ 2 kA
Throughput Energy Waveform 8/20 waveform

Return loss/vswr

Frequency Band VSWR Return Loss (dB)
806–824 MHz 1.152 23.02
824–960 MHz 1.135 23.98
1710–2000 MHz 1.101 26.36
2000–2170 MHz 1.135 23.98

Mechanical specifications

Attachment Durability 25 cycles
Interface Durability 500 cycles
Interface Durability Method IEC 61169-16:9.5
Mechanical Shock Test Method MIL-STD-202F, Method 213B, Test Condition C

Environmental specifications

Operating Temperature -40 °C to +150 °C (-40 °F to +302 °F)
Storage Temperature -40 °C to +100 °C (-40 °F to +212 °F)
Attenuation, Ambient Temperature 20 °C | 68 °F
Average Power, Ambient Temperature 40 °C | 104 °F
Corrosion Test Method MIL-STD-202, Method 101, Test Condition B
Immersion Depth 1 m
Immersion Test Mating Mated
Immersion Test Method IEC 60529:2001, IP68
Moisture Resistance Test Method MIL-STD-202, Method 106
Thermal Shock Test Method MIL-STD-202, Method 107, Test Condition A-1, Low Temperature -55 °C
Vibration Test Method GR 2846-CORE
Water Jetting Test Mating Mated

Packaging and weights

Weight, net 0.399 kg | 0.88 lb
Click on image to enlarge.

Regulatory compliance/certifications

Agency Classification
CHINA-ROHS Above maximum concentration value
ISO 9001:2015 Designed, manufactured and/or distributed under this quality management system
ROHS Compliant/Exempted
UK-ROHS Compliant/Exempted
REACH-SVHC Compliant as per SVHC revision on www.andrew.com/ProductCompliance

Product specification

Product specification