CMAX-EXT-43-I53
Base product: DIRECTIONAL-ANTENNAS
Cell-Max™ Low PIM Directional Outdoor Antenna, 698–960 MHz and 1710–2700 MHz, 4.3-10
Specifications
Product classification
| Product Type | Over-the-head stadium antenna |
| Product Brand | Cell-Max™ |
General specifications
| Application | Indoor/Outdoor |
| Antenna Type | Directional |
| Antenna Array Characteristic | SISO |
| Polarization | Vertical |
| Color | White (RAL 9016) |
| Mounting | Poles between 25–60 mm with supplied clamps |
| Number of Ports | 1 |
| Radome Material | PVC, UV resistant |
| RF Connector Interface | 4.3-10 Female |
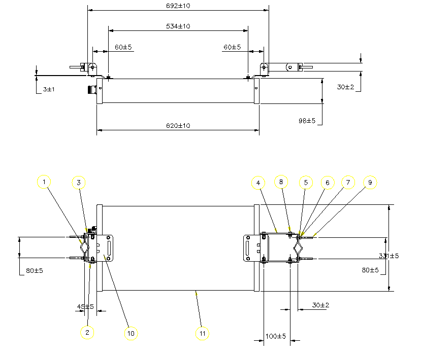
Dimensions
| Width | 331 mm | 13.032 in |
| Depth | 98 mm | 3.858 in |
| Length | 620 mm | 24.409 in |
Electrical specifications
| Impedance | 50 ohm |
| Lightning Protection | dc Ground |
| Operating Frequency Band | 698 – 960 MHz | 1710 – 2700 MHz |
| Electrical Note | Values typical, unless otherwise stated |
Electrical specifications
| Frequency Band, MHz | 698–800 | 800–960 | 1710–2200 | 2200–2700 |
| Gain, dBi | 10.0 | 11.0 | 11.0 | 11.0 |
| Beamwidth, Horizontal, degrees | 68 | 60 | 60 | 52 |
| Beamwidth, Vertical, degrees | 30 | 28 | 30 | 30 |
| Front-to-Back Ratio at 180°, dB | 18 | 18 | 20 | 20 |
| VSWR | Return loss, dB | 1.8 | 10.9 | 1.8 | 10.9 | 1.8 | 10.9 | 1.8 | 10.9 |
| PIM, 3rd Order, 2 x 20 W, dBc | -153 | -153 | -153 | -153 |
| Input Power per Port, maximum, watts | 100 | 100 | 100 | 100 |
Mechanical specifications
| Wind Loading @ Velocity, maximum | 686.0 N @ 216 km/h (154.2 lbf @ 216 km/h) |
| Wind Speed, maximum | 216 km/h (134 mph) |
Environmental specifications
| Operating Temperature | -40 °C to +60 °C (-40 °F to +140 °F) |
| Relative Humidity | Up to 100% |
| Ingress Protection Test Method | IEC 60529:2001, IP65 |
Packaging and weights
| Width, packed | 350 mm | 13.78 in |
| Depth, packed | 160 mm | 6.299 in |
| Length, packed | 830 mm | 32.677 in |
| Packaging quantity | 1 |
| Weight, gross | 7.4 kg | 16.314 lb |
| Weight, net | 4.7 kg | 10.362 lb |
Regulatory compliance/certifications
| Agency | Classification |
|
CHINA-ROHS
|
Below maximum concentration value |
| ISO 9001:2015 | Designed, manufactured and/or distributed under this quality management system |
| ROHS | Compliant |
| UK-ROHS | Compliant |
| REACH-SVHC | Compliant as per SVHC revision on www.andrew.com/ProductCompliance |
Product classification
| Product Type | Over-the-head stadium antenna |
| Product Brand | Cell-Max™ |
General specifications
| Application | Indoor/Outdoor |
| Antenna Type | Directional |
| Antenna Array Characteristic | SISO |
| Polarization | Vertical |
| Color | White (RAL 9016) |
| Mounting | Poles between 25–60 mm with supplied clamps |
| Number of Ports | 1 |
| Radome Material | PVC, UV resistant |
| RF Connector Interface | 4.3-10 Female |
Dimensions
| Width | 331 mm | 13.032 in |
| Depth | 98 mm | 3.858 in |
| Length | 620 mm | 24.409 in |
Electrical specifications
| Impedance | 50 ohm |
| Lightning Protection | dc Ground |
| Operating Frequency Band | 698 – 960 MHz | 1710 – 2700 MHz |
| Electrical Note | Values typical, unless otherwise stated |
Electrical specifications
| Frequency Band, MHz | 698–800 | 800–960 | 1710–2200 | 2200–2700 |
| Gain, dBi | 10.0 | 11.0 | 11.0 | 11.0 |
| Beamwidth, Horizontal, degrees | 68 | 60 | 60 | 52 |
| Beamwidth, Vertical, degrees | 30 | 28 | 30 | 30 |
| Front-to-Back Ratio at 180°, dB | 18 | 18 | 20 | 20 |
| VSWR | Return loss, dB | 1.8 | 10.9 | 1.8 | 10.9 | 1.8 | 10.9 | 1.8 | 10.9 |
| PIM, 3rd Order, 2 x 20 W, dBc | -153 | -153 | -153 | -153 |
| Input Power per Port, maximum, watts | 100 | 100 | 100 | 100 |
Mechanical specifications
| Wind Loading @ Velocity, maximum | 686.0 N @ 216 km/h (154.2 lbf @ 216 km/h) |
| Wind Speed, maximum | 216 km/h (134 mph) |
Environmental specifications
| Operating Temperature | -40 °C to +60 °C (-40 °F to +140 °F) |
| Relative Humidity | Up to 100% |
| Ingress Protection Test Method | IEC 60529:2001, IP65 |
Packaging and weights
| Width, packed | 350 mm | 13.78 in |
| Depth, packed | 160 mm | 6.299 in |
| Length, packed | 830 mm | 32.677 in |
| Packaging quantity | 1 |
| Weight, gross | 7.4 kg | 16.314 lb |
| Weight, net | 4.7 kg | 10.362 lb |
Regulatory compliance/certifications
| Agency | Classification |
|
CHINA-ROHS
|
Below maximum concentration value |
| ISO 9001:2015 | Designed, manufactured and/or distributed under this quality management system |
| ROHS | Compliant |
| UK-ROHS | Compliant |
| REACH-SVHC | Compliant as per SVHC revision on www.andrew.com/ProductCompliance |
Documentation & downloads