E14F06P54
Twin Diplexer, 703-788 MHz/796-847 MHz, DC SMART bypass, with 4.3-10 connectors
Features and benefits
- New 4.3-10 connectors for improved PIM performance and size reduction
- Minimal Insertion Loss
- DC/AISG SMART bypass functionality
Specifications
Product classification
| Product Type | Diplexer |
General specifications
| Color | Gray |
| Modularity | 2-Twin |
| Mounting | Pole | Wall |
| Mounting Pipe Hardware | Band clamps (2) |
| RF Connector Interface | 4.3-10 Female |
| RF Connector Interface Body Style | Long neck |
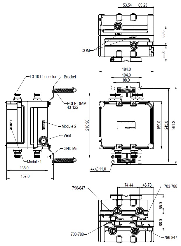
Dimensions
| Height | 138 mm | 5.433 in |
| Width | 184 mm | 7.244 in |
| Depth | 159 mm | 6.260 in |
| Mounting Pipe Diameter Range | 43–122 mm |
Outline drawing
| Click on image to enlarge. |
Electrical specifications
| Impedance | 50 ohm |
Electrical specifications, dc power/alarm
| dc/AISG Pass-through Method | Auto sensing |
| dc/AISG Pass-through, combiner | dc Smart Bypass |
| dc/AISG Pass-through, demultiplexer | dc Smart Bypass |
| Lightning Surge Current | 10 kA |
| Lightning Surge Current Waveform | 8/20 waveform |
Electrical specifications, aisg
| AISG Carrier | 2176 KHz ± 100 ppm |
Electrical specifications
| Sub-module | 1 | 2 | 1 | 2 |
| Branch | 1 | 2 |
| Port Designation | PORT 1 703-788 | PORT 2 796-847 |
Electrical specifications, band pass
| Frequency Range, MHz | 703–788 | 796–847 |
| Insertion Loss, typical, dB | 0.20 | 0.30 |
| Return Loss, typical, dB | 20 | 20 |
| Isolation, typical, dB | 38 | 38 |
| Input Power, RMS, maximum, W | 200 | 200 |
| Input Power, PEP, maximum, W | 1,000 | 1,000 |
| 3rd Order PIM, typical, dBc | -162 | -162 |
| 3rd Order PIM Test Method | 2 x 20 W CW tones | 2 x 20 W CW tones |
Block diagram
| Click on image to enlarge. |
Environmental specifications
| Operating Temperature | -40 °C to +65 °C (-40 °F to +149 °F) |
| Relative Humidity | 5%–100% |
| Corrosion Test Method | IEC 60068-2-11, 30 days |
| Environmental Test Method | ETSI EN 300 019-1-4 |
| Ingress Protection Test Method | IEC 60529:2001, IP67 |
Packaging and weights
| Included | Mounting hardware |
| Volume | 4 L |
| Weight, with mounting hardware | 4.3 kg | 9.480 lb |
| Weight, without mounting hardware | 4.1 kg | 9.039 lb |
Regulatory compliance/certifications
| Agency | Classification |
| ISO 9001:2015 | Designed, manufactured and/or distributed under this quality management system |
Product classification
| Product Type | Diplexer |
General specifications
| Color | Gray |
| Modularity | 2-Twin |
| Mounting | Pole | Wall |
| Mounting Pipe Hardware | Band clamps (2) |
| RF Connector Interface | 4.3-10 Female |
| RF Connector Interface Body Style | Long neck |
Dimensions
| Height | 138 mm | 5.433 in |
| Width | 184 mm | 7.244 in |
| Depth | 159 mm | 6.260 in |
| Mounting Pipe Diameter Range | 43–122 mm |
Electrical specifications
| Impedance | 50 ohm |
Electrical specifications, dc power/alarm
| dc/AISG Pass-through Method | Auto sensing |
| dc/AISG Pass-through, combiner | dc Smart Bypass |
| dc/AISG Pass-through, demultiplexer | dc Smart Bypass |
| Lightning Surge Current | 10 kA |
| Lightning Surge Current Waveform | 8/20 waveform |
Electrical specifications, aisg
| AISG Carrier | 2176 KHz ± 100 ppm |
Electrical specifications
| Sub-module | 1 | 2 | 1 | 2 |
| Branch | 1 | 2 |
| Port Designation | PORT 1 703-788 | PORT 2 796-847 |
Electrical specifications, band pass
| Frequency Range, MHz | 703–788 | 796–847 |
| Insertion Loss, typical, dB | 0.20 | 0.30 |
| Return Loss, typical, dB | 20 | 20 |
| Isolation, typical, dB | 38 | 38 |
| Input Power, RMS, maximum, W | 200 | 200 |
| Input Power, PEP, maximum, W | 1,000 | 1,000 |
| 3rd Order PIM, typical, dBc | -162 | -162 |
| 3rd Order PIM Test Method | 2 x 20 W CW tones | 2 x 20 W CW tones |
Environmental specifications
| Operating Temperature | -40 °C to +65 °C (-40 °F to +149 °F) |
| Relative Humidity | 5%–100% |
| Corrosion Test Method | IEC 60068-2-11, 30 days |
| Environmental Test Method | ETSI EN 300 019-1-4 |
| Ingress Protection Test Method | IEC 60529:2001, IP67 |
Packaging and weights
| Included | Mounting hardware |
| Volume | 4 L |
| Weight, with mounting hardware | 4.3 kg | 9.480 lb |
| Weight, without mounting hardware | 4.1 kg | 9.039 lb |
| Click on image to enlarge. |
| Click on image to enlarge. |
Regulatory compliance/certifications
| Agency | Classification |
| ISO 9001:2015 | Designed, manufactured and/or distributed under this quality management system |
Installation & videos
Installation instruction
Filter Products – Designed for PIM Excellence
Filter Products – Designed for PIM Excellence
Documentation & downloads