E14F15P31
Ultra Compact Twin Quadplexer 1325-1880/1920-2170/2300-2400/2500-2690 MHz, All ports DC block, with 4.3-10 connectors
Features and benefits
- New 4.3-10 connectors for improved PIM performance and size reduction
- dc/AISG blocking on all ports
- Clam shell configuration
Specifications
Product classification
| Product Type | Quadplexer |
General specifications
| Color | Gray |
| Modularity | 2-Twin |
| Mounting | Pole | Wall |
| Mounting Pipe Hardware | Band clamps (2) |
| RF Connector Interface | 4.3-10 Female |
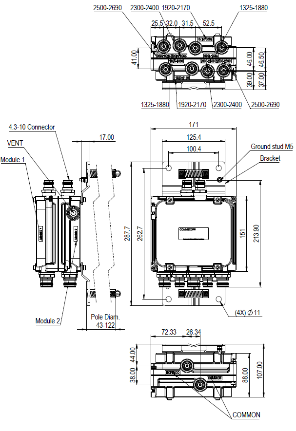
Dimensions
| Height | 88 mm | 3.465 in |
| Width | 171 mm | 6.732 in |
| Depth | 151 mm | 5.945 in |
| Mounting Pipe Diameter Range | 42.6–122 mm |
Outline drawing
| Click on image to enlarge. |
Electrical specifications
| Impedance | 50 ohm |
Electrical specifications, dc power/alarm
| dc/AISG Pass-through Method | No dc/AISG pass-through |
| Lightning Surge Current | 5 kA |
| Lightning Surge Current Waveform | 8/20 waveform |
Electrical specifications
| Sub-module | 1 | 2 | 1 | 2 | 1 | 2 | 1 | 2 |
| Branch | 1 | 2 | 3 | 4 |
| Port Designation | PORT 1 1325-1880MHz | PORT 2 1920-2170MHz | PORT 3 2300-2400MHz | PORT 4 2500-2690MHz |
Electrical specifications, band pass
| Frequency Range, MHz | 1325–1525 1710–1880 | 1920–2170 | 2300–2400 | 2500–2690 |
| Insertion Loss, maximum, dB | 0.50 | 0.50 | 0.50 | 0.50 |
| Return Loss, minimum, dB | 18 | 18 | 18 | 18 |
| Isolation, minimum, dB | 35 | 35 | 35 | 35 |
| Input Power, RMS, maximum, W | 100 | 100 | 100 | 100 |
| Input Power, PEP, maximum, W | 1,000 | 1,000 | 1,000 | 1,000 |
| 3rd Order PIM, typical, dBc | -163 | -163 | -163 | -163 |
| 3rd Order PIM Test Method | Two +43 dBm carriers | Two +43 dBm carriers | Two +43 dBm carriers | Two +43 dBm carriers |
Block diagram
| Click on image to enlarge. |
Mechanical specifications
| Wind Speed, maximum | 240 km/h (149 mph) |
Environmental specifications
| Operating Temperature | -40 °C to +65 °C (-40 °F to +149 °F) |
| Corrosion Test Method | IEC 60068-2-11, 30 days |
| Environmental Test Method | ETSI EN 300 019-1-4 |
| Ingress Protection Test Method | IEC 60529:2001, IP67 |
| Vibration Test Method | IEC 60068-2-6 |
Packaging and weights
| Included | Mounting hardware |
| Volume | 2.3 L |
| Weight, without mounting hardware | 2.6 kg | 5.732 lb |
Product classification
| Product Type | Quadplexer |
General specifications
| Color | Gray |
| Modularity | 2-Twin |
| Mounting | Pole | Wall |
| Mounting Pipe Hardware | Band clamps (2) |
| RF Connector Interface | 4.3-10 Female |
Dimensions
| Height | 88 mm | 3.465 in |
| Width | 171 mm | 6.732 in |
| Depth | 151 mm | 5.945 in |
| Mounting Pipe Diameter Range | 42.6–122 mm |
Electrical specifications
| Impedance | 50 ohm |
Electrical specifications, dc power/alarm
| dc/AISG Pass-through Method | No dc/AISG pass-through |
| Lightning Surge Current | 5 kA |
| Lightning Surge Current Waveform | 8/20 waveform |
Electrical specifications
| Sub-module | 1 | 2 | 1 | 2 | 1 | 2 | 1 | 2 |
| Branch | 1 | 2 | 3 | 4 |
| Port Designation | PORT 1 1325-1880MHz | PORT 2 1920-2170MHz | PORT 3 2300-2400MHz | PORT 4 2500-2690MHz |
Electrical specifications, band pass
| Frequency Range, MHz | 1325–1525; 1710–1880 | 1920–2170 | 2300–2400 | 2500–2690 |
| Insertion Loss, maximum, dB | 0.50 | 0.50 | 0.50 | 0.50 |
| Return Loss, minimum, dB | 18 | 18 | 18 | 18 |
| Isolation, minimum, dB | 35 | 35 | 35 | 35 |
| Input Power, RMS, maximum, W | 100 | 100 | 100 | 100 |
| Input Power, PEP, maximum, W | 1,000 | 1,000 | 1,000 | 1,000 |
| 3rd Order PIM, typical, dBc | -163 | -163 | -163 | -163 |
| 3rd Order PIM Test Method | Two +43 dBm carriers | Two +43 dBm carriers | Two +43 dBm carriers | Two +43 dBm carriers |
Mechanical specifications
| Wind Speed, maximum | 240 km/h (149 mph) |
Environmental specifications
| Operating Temperature | -40 °C to +65 °C (-40 °F to +149 °F) |
| Corrosion Test Method | IEC 60068-2-11, 30 days |
| Environmental Test Method | ETSI EN 300 019-1-4 |
| Ingress Protection Test Method | IEC 60529:2001, IP67 |
| Vibration Test Method | IEC 60068-2-6 |
Packaging and weights
| Included | Mounting hardware |
| Volume | 2.3 L |
| Weight, without mounting hardware | 2.6 kg | 5.732 lb |
| Click on image to enlarge. |
| Click on image to enlarge. |
Installation & videos
Installation instruction
Filter Products – Designed for PIM Excellence
Filter Products – Designed for PIM Excellence
Documentation & downloads