E16V90P58
Twin Quadplexer 698-960/18/21/23-26, dc smart bypass with 4.3-10 connectors
Features and benefits
- Industry leading PIM performance
- New 4.3-10 connectors for improved PIM performance and size reduction
- Twin configuration
- Suitable for feeders cables reduction
- Designed for network Modernization, introduction of LTE2600 on existing site
- DC/AISG SMART bypass functionality
Specifications
Product classification
| Product Type | Quadplexer |
General specifications
| Product Family | CBC7182126 |
| Color | Gray |
| Common Port Label | PORT 0 COM |
| Modularity | 2-Twin |
| Mounting | Pole | Wall |
| Mounting Pipe Hardware | Band clamps (2) |
| RF Connector Interface | 4.3-10 Female |
| RF Connector Interface Body Style | Medium neck |
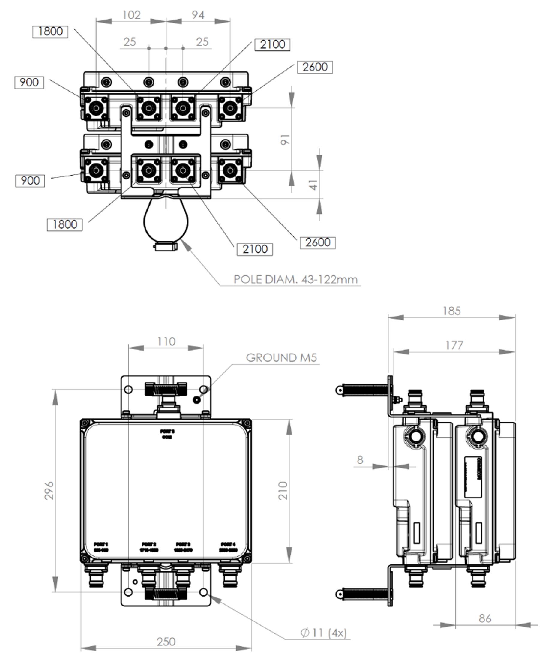
Dimensions
| Height | 210 mm | 8.268 in |
| Width | 250 mm | 9.843 in |
| Depth | 141 mm | 5.551 in |
| Mounting Pipe Diameter Range | 42.6–122 mm |
Outline drawing
| Click on image to enlarge. |
Electrical specifications
| Impedance | 50 ohm |
| License Band, Band Pass | APT 700 | AWS 2000 | CEL 850 | CEL 900 | DCS 1800 | EDD 800 | IMT 2100 | IMT 2600 | LMR 800 | LMR 900 | PCS 1900 |
Electrical specifications, dc power/alarm
| dc/AISG Pass-through, combiner | Branch 1 | Branch 2 | Branch 3 | Branch 4 |
| dc/AISG Pass-through, demultiplexer | Branch 1 | Branch 2 | Branch 3 | Branch 4 |
| Lightning Surge Current | 5 kA |
| Lightning Surge Current Waveform | 8/20 waveform |
Electrical specifications, aisg
| AISG Carrier | 2176 KHz ± 100 ppm |
| Insertion Loss, maximum | 0.5 dB |
| Return Loss, minimum | 10 dB |
Electrical specifications
| Sub-module | 1 | 2 | 1 | 2 | 1 | 2 | 1 | 2 |
| Branch | 1 | 2 | 3 | 4 |
| Port Designation | PORT 1 698-960 | PORT 2 1710-1880 | PORT 3 1920-2170 | PORT 4 2300-2690 |
| License Band | CEL 850, Band Pass CEL 900, Band Pass EDD 800, Band Pass LMR 800, Band Pass LMR 900, Band Pass | DCS 1800, Band Pass | AWS 2000, Band Pass IMT 2100, Band Pass PCS 1900, Band Pass | IMT 2600, Band Pass |
Electrical specifications, band pass
| Frequency Range, MHz | 698–960 | 1710–1880 | 1920–2170 | 2300–2690 |
| Insertion Loss, typical, dB | 0.20 | 0.20 | 0.30 | 0.15 |
| Return Loss, typical, dB | 20 | 20 | 20 | 20 |
| Isolation, minimum, dB | 50 | 50 | 50 | 50 |
| Input Power, RMS, maximum, W | 300 | 300 | 300 | 250 |
| 3rd Order PIM, typical, dBc | -160 | -160 | -160 | -160 |
| 3rd Order PIM Test Method | Two +43 dBm carriers | Two +43 dBm carriers | Two +43 dBm carriers | Two +43 dBm carriers |
Block diagram
| Click on image to enlarge. |
Mechanical specifications
| Wind Speed, maximum | 216 km/h (134 mph) |
Environmental specifications
| Operating Temperature | -40 °C to +65 °C (-40 °F to +149 °F) |
| Relative Humidity | 15%–100% |
| Corrosion Test Method | IEC 60068-2-11, 30 days |
| Ingress Protection Test Method | IEC 60529:2001, IP67 |
| Vibration Test Method | IEC 60068-2-6 |
Packaging and weights
| Included | Mounting hardware |
| Weight, net | 10 kg | 22.046 lb |
Product classification
| Product Type | Quadplexer |
General specifications
| Product Family | CBC7182126 |
| Color | Gray |
| Common Port Label | PORT 0 COM |
| Modularity | 2-Twin |
| Mounting | Pole | Wall |
| Mounting Pipe Hardware | Band clamps (2) |
| RF Connector Interface | 4.3-10 Female |
| RF Connector Interface Body Style | Medium neck |
Dimensions
| Height | 210 mm | 8.268 in |
| Width | 250 mm | 9.843 in |
| Depth | 141 mm | 5.551 in |
| Mounting Pipe Diameter Range | 42.6–122 mm |
Electrical specifications
| Impedance | 50 ohm |
| License Band, Band Pass | APT 700 | AWS 2000 | CEL 850 | CEL 900 | DCS 1800 | EDD 800 | IMT 2100 | IMT 2600 | LMR 800 | LMR 900 | PCS 1900 |
Electrical specifications, dc power/alarm
| dc/AISG Pass-through, combiner | Branch 1 | Branch 2 | Branch 3 | Branch 4 |
| dc/AISG Pass-through, demultiplexer | Branch 1 | Branch 2 | Branch 3 | Branch 4 |
| Lightning Surge Current | 5 kA |
| Lightning Surge Current Waveform | 8/20 waveform |
Electrical specifications, aisg
| AISG Carrier | 2176 KHz ± 100 ppm |
| Insertion Loss, maximum | 0.5 dB |
| Return Loss, minimum | 10 dB |
Electrical specifications
| Sub-module | 1 | 2 | 1 | 2 | 1 | 2 | 1 | 2 |
| Branch | 1 | 2 | 3 | 4 |
| Port Designation | PORT 1 698-960 | PORT 2 1710-1880 | PORT 3 1920-2170 | PORT 4 2300-2690 |
| License Band | CEL 850, Band Pass; CEL 900, Band Pass; EDD 800, Band Pass; LMR 800, Band Pass; LMR 900, Band Pass | DCS 1800, Band Pass | AWS 2000, Band Pass; IMT 2100, Band Pass; PCS 1900, Band Pass | IMT 2600, Band Pass |
Electrical specifications, band pass
| Frequency Range, MHz | 698–960 | 1710–1880 | 1920–2170 | 2300–2690 |
| Insertion Loss, typical, dB | 0.20 | 0.20 | 0.30 | 0.15 |
| Return Loss, typical, dB | 20 | 20 | 20 | 20 |
| Isolation, minimum, dB | 50 | 50 | 50 | 50 |
| Input Power, RMS, maximum, W | 300 | 300 | 300 | 250 |
| 3rd Order PIM, typical, dBc | -160 | -160 | -160 | -160 |
| 3rd Order PIM Test Method | Two +43 dBm carriers | Two +43 dBm carriers | Two +43 dBm carriers | Two +43 dBm carriers |
Mechanical specifications
| Wind Speed, maximum | 216 km/h (134 mph) |
Environmental specifications
| Operating Temperature | -40 °C to +65 °C (-40 °F to +149 °F) |
| Relative Humidity | 15%–100% |
| Corrosion Test Method | IEC 60068-2-11, 30 days |
| Ingress Protection Test Method | IEC 60529:2001, IP67 |
| Vibration Test Method | IEC 60068-2-6 |
Packaging and weights
| Included | Mounting hardware |
| Weight, net | 10 kg | 22.046 lb |
| Click on image to enlarge. |
| Click on image to enlarge. |
Installation & videos
Installation instruction
Filter Products – Designed for PIM Excellence
Filter Products – Designed for PIM Excellence
Documentation & downloads