Warning Icon

For other alternatives, please contact us for more information.

0 Alternative products available

E14R00P16

Dual Band Tower Mounted Amplifier, 800/900 MHz, 12 dB, 2 BTS & 4 ANT ports, AISG with 1 RET connector, with 4.3-10 connectors (1 device with 2 sub-units)

Finish making your selections or clear them to view relevant specifications.
Download specifications
Features and benefits
  • Designed to boost UP-Link Coverage and KPIs
  • TMA is operating in AISG & CWA mode, Alarm Current consumption CWA mode 190 mA
  • 2 input ports and 4 output ports
  • 1 device with 2 sub-units
  • Single AISG with 1 RET connector
  • New 4.3-10 connectors for improved PIM performance and size reduction

Product classification

Product Type 1-BTS:2-ANT (Diplex) | Tower mounted amplifier

General specifications

Color Gray
Modularity 2-Twin
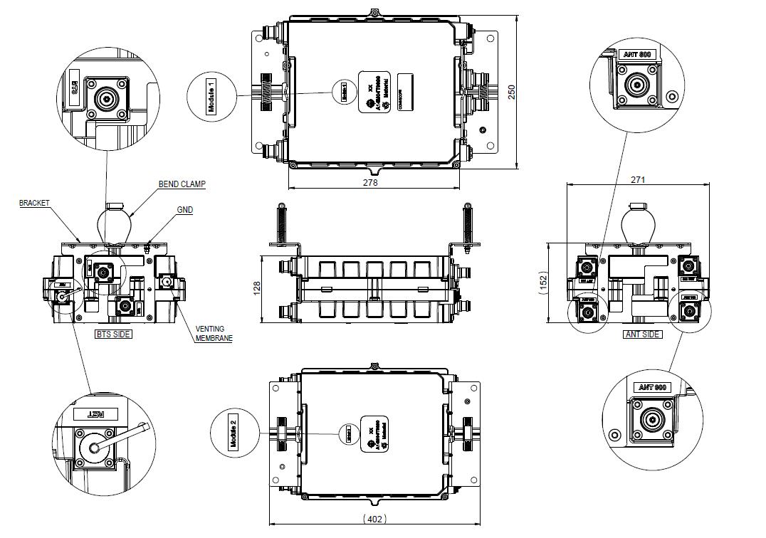
Mounting Pipe Hardware Band clamps (2)
RF Connector Interface 4.3-10 Female

Dimensions

Height 250 mm | 9.843 in
Width 278 mm | 10.945 in
Depth 128 mm | 5.039 in
Mounting Pipe Diameter Range 42.6–122 mm

Outline drawing

Click on image to enlarge.

Electrical specifications

License Band, LNA CEL 900 | EDD 800

Electrical specifications, dc power/alarm

dc Switching/Redundancy Yes
Lightning Surge Current 10 kA
Lightning Surge Current Waveform 8/20 waveform
Voltage 7–30 Vdc
Alarm Current, CWA Mode 190 mA ±10 mA

Electrical specifications, aisg

AISG Connector 8-pin DIN Female
AISG Connector Standard IEC 60130-9
Protocol AISG 2.0
Voltage, AISG Mode 10–30 Vdc

Electrical specifications

Sub-module 1 | 2 1 | 2
Branch 1 2
Port Designation ANT 800 ANT 900
License Band EDD 800, LNA CEL 900, LNA

Electrical specifications, rx uplink

Frequency Range, MHz 832–862 880–915
Bandwidth, MHz 30.00 35.00
Gain, nominal, dB 12.0 12.0
Noise Figure, typical, dB 1.3 1.3
Group Delay Variation, maximum, ns 165 165
Group Delay Variation Bandwidth, MHz 5.00 5.00
Total Group Delay, maximum, ns 240 240
Return Loss, minimum, dB 16 18
Return Loss, typical, dB 20 20
Insertion Loss - Bypass Mode, typical, dB 2.7 2.7

Electrical specifications, tx downlink

Frequency Range, MHz 791–821 925–960
Bandwidth, MHz 30.00 35.00
Insertion Loss, typical, dB 0.75 0.75
Group Delay Variation, maximum, ns 60 65
Group Delay Variation Bandwidth, MHz 5.00 5.00
Total Group Delay, maximum, ns 110 110
Return Loss, minimum, dB 18 18
Return Loss, typical, dB 20 20
Input Power, RMS, maximum, W 200 200
Input Power, PEP, maximum, W 2,000 2,000
3rd Order PIM, typical, dBc -156 -156
3rd Order PIM Test Method Two +43 dBm carriers Two +43 dBm carriers

Block diagram

Click on image to enlarge.

Environmental specifications

Operating Temperature -40 °C to +65 °C (-40 °F to +149 °F)
Relative Humidity Up to 100%
Corrosion Test Method IEC 60068-2-11, 30 days
Ingress Protection Test Method IEC 60529:2001, IP67

Packaging and weights

Included Mounting hardware
Volume 8.9 L
Weight, net 12.2 kg | 26.896 lb

Regulatory compliance/certifications

Agency Classification
ISO 9001:2015 Designed, manufactured and/or distributed under this quality management system

Product classification

Product Type 1-BTS:2-ANT (Diplex) | Tower mounted amplifier

General specifications

Color Gray
Modularity 2-Twin
Mounting Pipe Hardware Band clamps (2)
RF Connector Interface 4.3-10 Female

Dimensions

Height 250 mm | 9.843 in
Width 278 mm | 10.945 in
Depth 128 mm | 5.039 in
Mounting Pipe Diameter Range 42.6–122 mm

Electrical specifications

License Band, LNA CEL 900 | EDD 800

Electrical specifications, dc power/alarm

dc Switching/Redundancy Yes
Lightning Surge Current 10 kA
Lightning Surge Current Waveform 8/20 waveform
Voltage 7–30 Vdc
Alarm Current, CWA Mode 190 mA ±10 mA

Electrical specifications, aisg

AISG Connector 8-pin DIN Female
AISG Connector Standard IEC 60130-9
Protocol AISG 2.0
Voltage, AISG Mode 10–30 Vdc

Electrical specifications

Sub-module 1 | 2 1 | 2
Branch 1 2
Port Designation ANT 800 ANT 900
License Band EDD 800, LNA CEL 900, LNA

Electrical specifications, rx uplink

Frequency Range, MHz 832–862 880–915
Bandwidth, MHz 30.00 35.00
Gain, nominal, dB 12.0 12.0
Noise Figure, typical, dB 1.3 1.3
Group Delay Variation, maximum, ns 165 165
Group Delay Variation Bandwidth, MHz 5.00 5.00
Total Group Delay, maximum, ns 240 240
Return Loss, minimum, dB 16 18
Return Loss, typical, dB 20 20
Insertion Loss - Bypass Mode, typical, dB 2.7 2.7

Electrical specifications, tx downlink

Frequency Range, MHz 791–821 925–960
Bandwidth, MHz 30.00 35.00
Insertion Loss, typical, dB 0.75 0.75
Group Delay Variation, maximum, ns 60 65
Group Delay Variation Bandwidth, MHz 5.00 5.00
Total Group Delay, maximum, ns 110 110
Return Loss, minimum, dB 18 18
Return Loss, typical, dB 20 20
Input Power, RMS, maximum, W 200 200
Input Power, PEP, maximum, W 2,000 2,000
3rd Order PIM, typical, dBc -156 -156
3rd Order PIM Test Method Two +43 dBm carriers Two +43 dBm carriers

Environmental specifications

Operating Temperature -40 °C to +65 °C (-40 °F to +149 °F)
Relative Humidity Up to 100%
Corrosion Test Method IEC 60068-2-11, 30 days
Ingress Protection Test Method IEC 60529:2001, IP67

Packaging and weights

Included Mounting hardware
Volume 8.9 L
Weight, net 12.2 kg | 26.896 lb
Click on image to enlarge.
Click on image to enlarge.

Regulatory compliance/certifications

Agency Classification
ISO 9001:2015 Designed, manufactured and/or distributed under this quality management system
Filter Products – Designed for PIM Excellence
Filter Products – Designed for PIM Excellence

Product specification

Product specification